0

| Спасибо: |
| Получено: 1 Отправлено: 0 |
К адаптеру небыло ничего, присылали почтой. Диска не было.
| Спасибо: |
| Получено: 817 Отправлено: 1,016 |
А это что?Сообщение от SlavaS
Диска не было.![]()
Сообщение от SlavaS
на диске: Driver CD-ROM Version 13 Includes: USB Peripherals Drivers and Utilities
APT, 1,8 универсал- 14 лет-продан, шкодавод А7
| Спасибо: |
| Получено: 10 Отправлено: 0 |
SlavaS
Если надоест:
1. Опробуй переходник на чем нибудь еще, мышка старая, например.
2. Найди комп с COM-портом подай питание на адаптер (плюс с минусом только не перепутай - вдруг в адаптере защиты нет) и попробуй тест.
Добавлено спустя 1 минуту 28 секунд:
Если у адаптере выходной каскад на транзисторах сделан - то он вылетает если его подключить на +12В. Ты зеленый/желтый не тыкал в 16-ю дырку?
Добавлено спустя 1 минуту 6 секунд:
pavel1 утебя фотки же на все случаи жизни есть![]()
Давай адаптера фото
Добавлено спустя 56 секунд:
Это от переходникаСообщение от pavel1
А это что?![]()
![]()
| Спасибо: |
| Получено: 817 Отправлено: 1,016 |
Я же выше выкладывалСообщение от lw
Давай адаптера фото![]()
+1 Надо от переходника избавиться и проверить адаптер сначалаСообщение от lw
Найди комп с COM-портом
Добавлено спустя 57 секунд:
Сообщение от lw
Это от переходника![]()
APT, 1,8 универсал- 14 лет-продан, шкодавод А7
| Спасибо: |
| Получено: 10 Отправлено: 0 |
А ракурс изнутри?Сообщение от pavel1
Я же выше выкладывал![]()
![]()
| Спасибо: |
| Получено: 817 Отправлено: 1,016 |
Работает-не лезьСообщение от lw
А ракурс изнутри?![]()
APT, 1,8 универсал- 14 лет-продан, шкодавод А7
| Спасибо: |
| Получено: 1 Отправлено: 0 |
Это для переходника USB-COM.Сообщение от pavel1
А это что?
SlavaS писал(а):
на диске: Driver CD-ROM Version 13 Includes: USB Peripherals Drivers and Utilities
Нет, в 16 не втыкал.Сообщение от lw
Если у адаптере выходной каскад на транзисторах сделан - то он вылетает если его подключить на +12В. Ты зеленый/желтый не тыкал в 16-ю дырку?
Сейчас подключил еще раз. Делая тест Выдал COM-OK, адаптер 4 OK= модем! Но при попытке соединиться с контроллером снова выдает "Адаптер = 5 не найден" Почему при тесте адаптер =4, а при поиске контроллера адаптер =5?
Добавлено спустя 8 минут 10 секунд:
Хрень какая-то. Сейчас отключил от компа все провода, дай думаю тест сделаю. Он опять выдает COM порт- OK, Адаптер 5-Модем!? Я же отключил адаптер?!!?
| Спасибо: |
| Получено: 10 Отправлено: 0 |
SlavaS
А модем тут каким боком?![]()
Скриншоты хоть делай.
| Спасибо: |
| Получено: 817 Отправлено: 1,016 |
+1 Типа "удаленное соединение"Сообщение от lw
А модем тут каким боком?![]()
APT, 1,8 универсал- 14 лет-продан, шкодавод А7
| Спасибо: |
| Получено: 0 Отправлено: 0 |
приветствую всех...у меня вопрос очень банальный, возможно ли все это (вышерассказанное) без каких либо паек? а именно интересует:
1. где в Питере (и по каким ценам) можно приобрести кабель
2. где скачать прогу (интереснно кто нибудь VAG-RUS юзал)
PS паять не хочу потому что плохо умею, да и просто боюсь сжечь мозги самоделом...
| Спасибо: |
| Получено: 179 Отправлено: 53 |
Найди специалиста. Тут делов на часок.Сообщение от CheGuevara
PS паять не хочу потому что плохо умею, да и просто боюсь сжечь мозги самоделом...
Машина как женщина - не важно сколько жрет, важно, сколько приносит удовольствия.
| Спасибо: |
| Получено: 5 Отправлено: 9 |
http://www.doavto.ru - кабель KKL USB - 1400р + доставка почтой
а где вагком можно найти?![]()
VW Passat 2.0TDI CBAB mechanical 2009 Iceland Gray Pearlesc, Opel Corsa 1.4 Z14XEP mechanical 2008 - продан, VW Lupo 1.4 FSI robot 2001 Silver - продан, AUDI A6 3.0 ASN, Quattro, Tiptronic, Silver, 2003 - продан, VW Passat 1.8T ATW mechanical (usa) 2000 Windsor Blue - продан
| Спасибо: |
| Получено: 1 Отправлено: 5 |
Ух, отойдя от прошлой неудачи, спустя несколько месяцев, с одним хорошим человечиком снова собрал адаптор, упростили его немного, убрали мах232, а в качестве переходника использовали кабель от от сименса, состоящий всего из одной микухи(правда микруха CP от которой меня lw здесь отговаривал..., просто схемку гдето увидел с участием именно этой микрухи....)
И самое удивительное, что это чудо отчасти заработало, а именно опрашивает двигатель без проблем, читает ошибки, даже графики ВагКом рисует... А вот кроме двигателя ни от одного контроллера ответа нет...
Вот я и думаю, проблема с софтом или всеже адаптор? смущает только то, что с двигателем работает вообще без проблем с любой установкой скорости порта....
B-5, 2000г.,1,8Т, ATW, механика, кожа, ж...грев, люк, кондей, седан, серебро. Американец, где мои 102 FM??? Продал((
B3>B5>Skoda Oktavia 1.6AT 2011 г.
| Спасибо: |
| Получено: 10 Отправлено: 0 |
Держи... Развлекайся...Сообщение от Ilya_Tr
правда микруха CP
Нужно изменить скорость порта на 10400 И не забудь отчитаться [-X
Сам ни разу не видел в действии, но уже стольким помоглоВот тогда запускаем программу CP210xBaudRateAliasConfig.exe, в ней 4 столбика с числами. Находим в левом 14428, кликаем по нему мышкой и пишем 10400. Жмём "ОК", и внизу "Set"...![]()
| Спасибо: |
| Получено: 0 Отправлено: 0 |
Заказал по почте мастеркит (450р) и в другом месте сам разъём. Спаял. Схему засунул в полученный разъём. Вот что получилось - очень компактно и удобно -
Разъём заказал на www.autopribor.ru - получил на почте через 4 дня заплатил 315 руб![]()
| Спасибо: |
| Получено: 1 Отправлено: 5 |
lw
Спасибо, это я сделал... В ВагСом все равно ничего не получилось, а вот с ВагТулом получилось еще кое-что, но как-то странно:
При опросе АSР, начинает тестировать радио, при запросе "крыша" появился тест приборки....(Очень забавно, крутятся стрелочки
Вот я и думаю, может всетаки дело в программах и у них не совпадают адреса?
B-5, 2000г.,1,8Т, ATW, механика, кожа, ж...грев, люк, кондей, седан, серебро. Американец, где мои 102 FM??? Продал((
B3>B5>Skoda Oktavia 1.6AT 2011 г.
| Спасибо: |
| Получено: 10 Отправлено: 0 |
Ilya_Tr
Схему адаптера в студию, будем думать. ИМХО - неустойчивая связь.
| Спасибо: |
| Получено: 1 Отправлено: 5 |
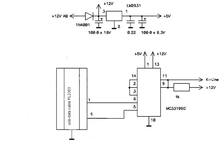
Вот такая вот схемка:
Добавлено спустя 5 минут 10 секунд:
Только не понятно, у контроллера двигателя более сильный сигнал чтоли? Потому что с ним вообще все шеколадно... коды ошибок, графики в реальном времени....
B-5, 2000г.,1,8Т, ATW, механика, кожа, ж...грев, люк, кондей, седан, серебро. Американец, где мои 102 FM??? Продал((
B3>B5>Skoda Oktavia 1.6AT 2011 г.
| Спасибо: |
| Получено: 10 Отправлено: 0 |
Ilya_Tr
Не нравится мне схема включения IC2![]()
Сравни. Убири только все для L-Line (R2, R3, DD4)
![]()
| Спасибо: |
| Получено: 10 Отправлено: 0 |
Вот еще одна, считай что почти твоя.
![]()

