0

| Спасибо: |
| Получено: 89 Отправлено: 77 |
Вообщем все встало на свои места!
Предлагаю закрыть тему до летних заездов!![]()
RRv @ fuck fuel economyToyota Camry 3.5 V6 AT (277 л.с.)-сгнила
| Спасибо: |
| Получено: 38 Отправлено: 21 |
| Спасибо: |
| Получено: 197 Отправлено: 48 |
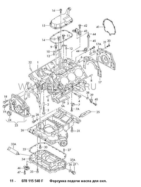
Это не то) на субарях стоят чуть ли не по две форсунки на поршень, они его охлаждают. А у нас это где "кочерга" идёт.
| Спасибо: |
| Получено: 38 Отправлено: 21 |
| Спасибо: |
| Получено: 197 Отправлено: 48 |
Эта форсунка не на все же поршни пшикает, а просто распыляет масло. И тем более это устройство моего 2.8 овощного!![]()
А 1.8Т кпд в двоё больший имеет наверное, ну в 1.7 точно, если тупо по нагрузке судить, там масло греется куда лучше, там где такое новшество?
![]()
| Спасибо: |
| Получено: 38 Отправлено: 21 |
PASSAT B5+ 2001г.в., 1.8t AWT, теперь МКПП 6 ст, перевалил за 250 л.с.продан ((
| Спасибо: |
| Получено: 197 Отправлено: 48 |
Окей, принято, спорить не будем) у тебя больше опыта в этом)![]()
| Спасибо: |
| Получено: 5 Отправлено: 3 |
Passat 1.8T AEB, 97, АКПП МКПП, FMIC - продан
Audi A4 1.8TQm чип/выхлоп/FMIC/обратка+Walbro GSS342/ S-Line Black 2003г
| Спасибо: |
| Получено: 35 Отправлено: 26 |
В общем, форсунки нашли и до весны остыли
http://www.istorya.ru/articles/23fevr.php
http://ru.wikipedia.org/wiki/%C4%E5%...E5%F1%F2%E2%E0
Будте все здоровы и богаты во все времена!
B5+ '03, AMX 4x4 ручка кк№790
| Спасибо: |
| Получено: 116 Отправлено: 40 |
Страшный сон владельца 2.8 (в роли RS6), заезд с 1.8
(в роли супры)
осторожно говорят матами
http://www.youtube.com/watch?v=eZVnFVQW5R0
B5, 1999г, типтроник, V6, TDI
Renault Espace IV, 2007, 2.0dci , 110kw
| Спасибо: |
| Получено: 0 Отправлено: 3 |
Иван-LV,"..финиш проеб @ли! тормози соколик, ремни не держуть"
| Спасибо: |
| Получено: 116 Отправлено: 40 |
да я сам не могу без слёз это смотретьна что они вообще расчитывали
![]()
B5, 1999г, типтроник, V6, TDI
Renault Espace IV, 2007, 2.0dci , 110kw
| Спасибо: |
| Получено: 197 Отправлено: 48 |
чОткий заезд
| Спасибо: |
| Получено: 5 Отправлено: 3 |
Иван-LV, "да он нас в...ал на пять корпусов!!"![]()
Passat 1.8T AEB, 97, АКПП МКПП, FMIC - продан
Audi A4 1.8TQm чип/выхлоп/FMIC/обратка+Walbro GSS342/ S-Line Black 2003г
| Спасибо: |
| Получено: 13 Отправлено: 27 |
Жость!) это же надо так отс...ть... Четкий видос...
| Спасибо: |
| Получено: 11 Отправлено: 17 |
Иван-LV, спасибо, настроение поднято на весь день!![]()
Passat B5 1.8T 1996 AEB
| Спасибо: |
| Получено: 116 Отправлено: 40 |
На здоровье![]()
Так что ждёмс летом такой же заезд1.8vs 2.8
![]()
B5, 1999г, типтроник, V6, TDI
Renault Espace IV, 2007, 2.0dci , 110kw
| Спасибо: |
| Получено: 7,422 Отправлено: 9,391 |
Иван-LV,
Это мой любимымй ролик
блин, Был варик взять скайлайн в кузове 34 ом с 2.5 турбо под 300 л.с в стоке, а там как душа попрет![]()
Если вам во мне что-то не нравится — не обязательно ставить меня об этом в известность. Постарайтесь пережить этот шок самостоятельно!
| Спасибо: |
| Получено: 197 Отправлено: 48 |
Штирлиц конечно отжёг по полной))))) ну вот тебе и зацеп![]()

