0

| Спасибо: |
| Получено: 45 Отправлено: 6 |
| Спасибо: |
| Получено: 0 Отправлено: 0 |
Вот так должно получиться на европейце, автоматическое включение DRL. Добавляется простое реле К1 и диод VD1.
![]()
| Спасибо: |
| Получено: 45 Отправлено: 6 |
WELL SOLID, на куда такая сложность? С ручника можно снять только через доп реле, ибо обсуждалось много и не нашли другого выхода. потому как замкнут он только когда поднят, так что схема по ручнику точно не катит. Далее... зачем жечь ближнего света лампочки? И еще...какова смысловая нагрузка диода VD1? И это...клемма 75Х это и есть 30 после замка зажигания, для чего велосипед изобретать?
Нет невыполнимой работы для человека, который не обязан делать ее сам. VW Passat B5+ Variant 2002 AZM 2.0
| Спасибо: |
| Получено: 418 Отправлено: 434 |
WELL SOLID, DRL должны гаснуть при поднятом (замкнутом на массу) ручнике и/или включенных габаритах. А у тебя чо?
| Спасибо: |
| Получено: 0 Отправлено: 0 |
Схема один в один от америкоса. Реле К1 это как у америкосов родное! Сам ничего не мудрил логика полностью сохранилась оригинальная. Просто у меня нет на переключателе специальных контактов поэтому запаралелил "1Х" и "4/56" через реле.
![]()
| Спасибо: |
| Получено: 45 Отправлено: 6 |
WELL SOLID, тогда может проще поставить переключатель от америкоса? неуманно и дорого. И это...где на схемах ручник? Он рзве у америкосов участвует?
Нет невыполнимой работы для человека, который не обязан делать ее сам. VW Passat B5+ Variant 2002 AZM 2.0
| Спасибо: |
| Получено: 0 Отправлено: 0 |
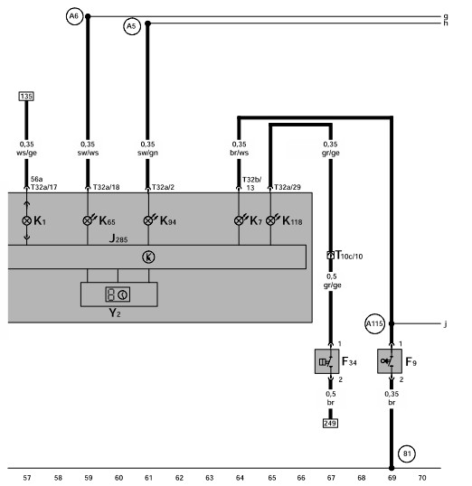
На последнем рисунке F9-микрик ручника, К7-лампочка на приборке. На предпоследнем рисунке J89-реле DRL и соединяется с микриком ручника проводом j. Диод кстати встроен в реле. Поставить переключатель мало - проводов для подключения в жгутах всеравно нет.
Я просто разбирал схему и пытался перенести на свой авто. В результате родилась та схема. Потеплеет буду ваять.
| Спасибо: |
| Получено: 45 Отправлено: 6 |
| Спасибо: |
| Получено: 0 Отправлено: 0 |
Я не знаю. Он стоит в штатном реле, так и скопировался в мою схему. я то буду брать обычное реле
| Спасибо: |
| Получено: 2 Отправлено: 0 |
Можно проще.
Берется мосфит (точно номер не помню но такие точно есть) который имеет грубо 3 конца.
1) вход
2) выход
3) затвор
Так вот когда между 1 и 3 разница стремится к 0 он закрывается! и на выходе ничего нет.
Соответственно на 1 идет + после зажигания, 2 идет к ДРЛ, к 3 провод от ближнего!
Кстати такая же схема у контроллера ДРЛ хела.
| Спасибо: |
| Получено: 0 Отправлено: 0 |
Да понятно что вариантов много и простых и замороченых. Моя задача была понять алгоритм и схему стандартного автомата включения DRL и попытатся с минимумом переделок скопировать на свое авто.
| Спасибо: |
| Получено: 2 Отправлено: 0 |
вот нашел для примера картинку.
Тока там надо смотреть по конкретной характеритсике.
Он открывается в зависимости от разницы входа и затвора.
Есть даже 30В 60А.
Стоят на мат.платах в питании процессора!!!!!! рублей 150 за мать!
А отдельно покупать рублей по 300.
| Спасибо: |
| Получено: 45 Отправлено: 6 |
В электрике или электронике хорошо шаришь? Весь мой технический мозг и образование (в том числе работа с электроникой и автоматикой на электростанции) противится этой схеме и наличие диода в таком направлении и в этом месте здесь БЕССМЫСЛЕННО. Что он будет стоять что его вообще не будет в схеме и соответственно точки соединения с землей - толку НИКАКОГО. Обиды и пинки выслушаю почему диод должен стоять. И все же...читать куски схем так как выложено - себе мозг ломать и пытаться понять что а кусок откуда вырвали.
Нет невыполнимой работы для человека, который не обязан делать ее сам. VW Passat B5+ Variant 2002 AZM 2.0
| Спасибо: |
| Получено: 0 Отправлено: 0 |
Так по кускам понятно ничего не построишь. Вся схема большая в pdf, выложить ее - это всю ветку засрать. Я вот тоже не пойму почему немцы запитали реле с "75Х" а не просто с "Х". В штатном реле диода два, может какие цепи управления развязывали.
| Спасибо: |
| Получено: 45 Отправлено: 6 |
именно это и сделано.
Nixdorf, ты вот все вумные слова говоришь типа
а это между прочим по твоей картинке обычный полевой транзистор. смысл с ним изголяться и такие деньги
вываливать, когда можно простым реле обойтись, для надежности развязать диодом схему управления.
Нет невыполнимой работы для человека, который не обязан делать ее сам. VW Passat B5+ Variant 2002 AZM 2.0
| Спасибо: |
| Получено: 2 Отправлено: 0 |
Student,
Мне так проще на этом "полевом транзисторе"
С ним можно отрегулировать яркость DRL при включенном ближнем!
Да и потом найти "старую" Мат.Плату, откуда можно это взять, не такая проблема.
| Спасибо: |
| Получено: 0 Отправлено: 5 |
подскажи а с ксеноном эта схема работает-если да то дай пожалуйста номиналыНу и зачем тратить денги
Предлогаю следующию схему устоновленую на моем Passatе
Схема работает только с включеным зажиганием при нажатии на педаль тормоза через цепочку резистор -диод упровляющий электрод открывается тиристор который в свою очередь включает реле К1 ,реле через конакт к1,1 включает нагрузку ближний свет фар .Тиристор остоется открытым в этои состоянии пока не пропадет питание на головном выключателе фар тоесть пока не выключат зажигание (включается только ближний исключая габариты и другую подсветку)
В цепи питания анода тиристора советую устоновить предохранитель (для оключения и защиты схемы)
теристора и диода
Best regards!!!
passat b5+ 2003год, AWM.типтроник, американец
| Спасибо: |
| Получено: 0 Отправлено: 0 |
| Спасибо: |
| Получено: 683 Отправлено: 771 |
| Спасибо: |
| Получено: 30 Отправлено: 14 |
Этот диод ни куда не денеш, в современных мосфетах он выполняеться на одном кристалле. Если нагрузка мосфета будет индуктивной, (что-то типа мощьного реле) то без диода мосфет может с большой вероятность выгореть из-за напряжения самоиндукции, а диод его блогополучно рассеивает
B5.5, 2002г, AWM, 1.8T, МКПП, америкос, седан

