4

| Спасибо: |
| Получено: 8,428 Отправлено: 3,359 |
Автор: SerV
self-diagnostic DMU / DMV / DMX / EPT / EPU / EPV
Диагностика 4-х (четырех) ступенчатой автоматической коробки передач.
Сразу оговоримся, штатно, почти всегда, все измерения проводятся при температуре охл.жидкости не менее 80. и температуре коробки выше 30 оС
(за исключением конечно. когда мотор не заводится)
Поехали...
Открываем контроллер коробки передач (02-auto trans)
Открываем "блоки измерений"
#######################
группа 001
читаем слева-на-право:
1 окно: тут мы видим позицию переключателя -F125-
что проверяем: поставьте коробку в положение "P" - должно высветиться "P"
R = R
N = N
D = D
3 = 3
2 = 2
1 = 1
если тут глюки, надо проверять многофункциональный переключатель F125
2 окно:
сигнал дросельной заслонки (J338) или потенциометра дроссельной заслонки (G69) (внури нее)
- на Холостом ходу, должен укладываться в значения 0.156 - 0.8 Вольт *
- на полном ускорении (100% нажатой педали газа) должен уложиться в 3.5 - 4.68 вольт
(*) вот здесь не факт.., на нескольких дизелях уже отмечены значения на ХХ = от 0.04 до 0.07 вольта...
3 окно:
положение педали акселлератора
- на Холостом ходу, должен укладываться в значения 0 - 1 %
- на полном ускорении (100% нажатой педали газа) должен уложиться в 99 - 100 %
4 окно: сведения о работе сопутствующих датчиков
там же "лягушка" (датчик педали тормоза) и еще масса полезных вещей
общий принцип:
1 = нажата
0 = не нажата
(понятное дело если вы, допустим нажали педаль тормоза, а значение не меняется, надо пощупать под педалькой, вдруг чего интересное ;)
есть мнение, что в этом окне у НЕКОТОРЫХ может быть состояние системы трекшен контроля, но я не видел ни разу. увидите - сообщите.
представлено это в виде 8-ми знаков 10000111,
первый (самый левый) символ - датчик педали тормоза,
второй - система ASR (traction control system)
третий - не учитывается
четвертый - датчик Kickdown (F8)
пятый (контакт 632) - Multi-function переключаетель F125. R,N,D,3,2 должно быть "1", P,1 = "0"
шестой (контакт 402) - опять переключаетель F125. P,R,2,1 = "1", N,D,3 = "0"
седьмой (контакт 622) - и снова он F125. P,R,N,D = 1 / 3,2,1 = 0
восьмой (контакт 182) - заканчиваем с нимP,R,N = 1 / D,3,2,1 = 0
#######################
группа 002.
1 окно: клапан (Solenoid valve) 6, он же N93 - АКТУАЛЬНОЕ значение
ставим коробку в положение нейтрали, ничего более не давим (даже тормоз)
значение должно быть не более 1.1 A
значение при полном ускорении должно быть 0.0 Aмпер
2 окно: клапан (Solenoid valve) 6, он же N93 - ТРЕБУЕМОЕ значение
должно совпадать с первым окном. значения одинаковы, допускается разница не более 0.050 Aмпер
3 окно: вольтаж АКБ
минимум 10.8, максимум 15.93 Вольт
4 окно: датчик скорости G68
должен укладываться в значения 2.20 - 2.52 Вольт
#######################
группа 003.
тут все просто:
1 окно: скорость авто
2 окно: обороты двигателя
3 окно: текущая передача
правда тут немного иное обозначение, не привычное.
Neutral = 0
Reverse = R
1 hydraulic = 1H
1 mechanical = 1M
2 hydraulic = 2H
2 mechanical = 2M
3 hydraulic = 3H
3 mechanical = 3M
4 hydraulic = 4H
4 окно:
положение педали акселлератора
- на Холостом ходу, должен укладываться в значения 0 - 1 %
- на полном ускорении (100% нажатой педали газа) должен уложиться в 99 - 100 %
#######################
группа 004.
одна из самых интересных... в ней можно углядеть как именно работают соленоиды коробки в движении.
беспокоит дергание? есть сомнения? вам - сюда:
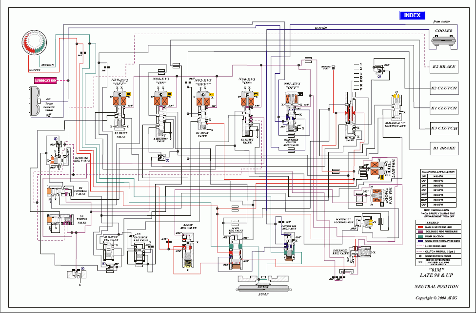
как утверждают создатели соленоидов аж 7 штук...
N88 = Solenoid valve 1
N89 = Solenoid valve 2
N90 = Solenoid valve 3
N91 = Solenoid valve 4
N92 = Solenoid valve 5
N92 = Solenoid valve 6
N94 = Solenoid valve 7
как они выглядят?
есть мнение что проверить эти клапана можно замером сопротивления,
благодарим VoFFka417 за инфу![]()
напрашивается интересный вопрос: а нафик такие сложности, зачем столько?
1) N93 - задействован всегда (на всех положениях коробки), он контролирует / регулирует давление (ATF) в главной магистрали.
причем если он откажет, то давление в коробке возрастет до максимума.
2) паркинг / нейтраль: задействованы N88, N90 и конечно N93 (он задействован всегда, если помните)
3) задняя / реверс ("а теперь рррррррракета" 8)): задействованы N90, N92 и N93
N92 - это второй датчик который работает всегда, почти... кромей нейтрали.
он включается при переходе на любую передачу, сбрасывает давление, и открывает канал для доступа масла к механизму "сцепления".
как только переход передачи - завершен, клапан выключается.
важный момент: именно этот клапан отвечает за плавность перехода ВСЕХ передач (далее будет почему почему акцент на "всех").
4) драйв-режим. первая передача.
N90, N91, N92, N93.
90-ый - контролирует пакет сцепления 3-4-ой передачи "K-3" ("К-1" это 1-3 передачи, а "К-2" для заднего хода соотв.)
91-ый - участвует в передаче момента движения на саму коробку, муфта блокировки (clutch converter)
заязан на температуру, обороты двигателя, скорость и конечно положение самой педали газа.
92-ой и 93-ий - см. выше
4) драйв-режим. вторая передача.
N89, N90, N91, N92, N93.
89-ый - подключается только на 2 и 4-ой передачах для тормоза Б-2 (2 и 4-ой передач)
остальные - см. выше
5) драйв-режим. четвертая передача.
N91, N92, N93, N94.
94-ый - работает только на 3 и 4 передаче для тормоза Б-2.
(а так же в момент "подхвата" третьей (при переходе со 2 на 3-ю передачи))
важный момент: именно этот клапан отвечает за плавность перехода НА ЧЕТВЕРТУЮ (4) передачу.
итак, начинаем смотреть что и где:
1 окно:
видеть мы будем 6 цифр, примерно так: 0000 00
которые слева-на-право означают N88 , N89 , N90 , N91 , N92 , N94
0 = клапан не задействован, 1 = в работе
1) ставим в положение паркинга
при P должно быть = 1 0 1 0 00
2) включаем R (рокетуи
- ЕДЕМ выше 10 км/час, показания должны быть = 1 0 1 0 00
- едем МЕНЕЕ 10 км/ч должно быть = 0 0 1 0 00
3) нейтраль
N = 1 0 1 0 00
4) драйв (D)
1H до 10 км/ч (а реально даже после 5-ти уже меняется) = 0 0 1 0 00
1М до 10 км/ч (а реально даже после 5-ти уже меняется) = 0 0 1 0 00
1H после 10 км/ч (а реально даже после 5-ти уже меняется) = 0 0 1 0 10
1М после 10 км/ч (а реально даже после 5-ти уже меняется) = 0 0 1 0 10
2H = 0 1 1 0 00
2M = 0 1 1 0 00
3H = 0 0 0 0 01
3M = 0 0 0 0 01
4H = 1 1 0 0 01
4M = 1 1 0 0 01
4) 3-ая (3) (точнее НЕ выше 3-ей...)
1H до 10 км/ч (а реально даже после 5-ти уже меняется) = 0 0 1 0 00
1М до 10 км/ч (а реально даже после 5-ти уже меняется) = 0 0 1 0 00
1H после 10 км/ч (а реально даже после 5-ти уже меняется) = 0 0 1 0 10
1М после 10 км/ч (а реально даже после 5-ти уже меняется) = 0 0 1 0 10
2H = 0 1 1 0 00
2M = 0 1 1 0 00
3H = 0 0 0 0 01
3M = 0 0 0 0 01
5) 2-ая (2)
1H до 10 км/ч (а реально даже после 5-ти уже меняется) = 0 0 1 0 00
1М до 10 км/ч (а реально даже после 5-ти уже меняется) = 0 0 1 0 00
1H после 10 км/ч (а реально даже после 5-ти уже меняется) = 0 0 1 0 10
1М после 10 км/ч (а реально даже после 5-ти уже меняется) = 0 0 1 0 10
2H = 0 1 1 0 00
2M = 0 1 1 0 00
6) 1-ая (1)
1H до 10 км/ч (а реально даже после 5-ти уже меняется) = 0 0 1 0 00
1М до 10 км/ч (а реально даже после 5-ти уже меняется) = 0 0 1 0 00
1H после 10 км/ч (а реально даже после 5-ти уже меняется) = 0 0 1 0 10
1М после 10 км/ч (а реально даже после 5-ти уже меняется) = 0 0 1 0 10
2 окно:
текущая передача, это уже обсуждали
Neutral = 0
Reverse = R
1 hydraulic = 1H
1 mechanical = 1M
2 hydraulic = 2H
2 mechanical = 2M
3 hydraulic = 3H
3 mechanical = 3M
4 hydraulic = 4H
3 окно:
позиция селектора,
1, 2, 3, драйв, реверс и паркинг
4 окно:
скорость авто
#######################
группа 005
1 окно: температура ATF (если не сломан датчик G93![]()
говорят от минус 40 до плюс 170, хотя врядли более 120 полезно.
ну у нас не Египет, поэтому тут врядли стоит переживать, работает датчик? хорошо.
2 окно: режим работы систем тут опять 0 и 1
здесь и круиз контроль, и кондей (клима) и селектор и т.д.
первый и второй символ: Ignition timing modulation. внимание - данные должны совпадать! либо оба 1, либо оба 0.
третий символ - Блокировка селектора (solenoid N110) - 1=блокирован, 0-не задействован.
четвертый - нет данных![]()
пятый - круиз-контроль. 1 - активирован, 0-нет
шестой - кондиционер/клима. 1=выключен! 0=включен (порядок поменялся, не перепутайте)
седьмой - определение паркинга/нейтрали. P,N = 1, R = 0 (D,3,2,1 = ?1, при этом ? - может быть как 0, так и 1, не пугайтесь -ошибки нет)
3 окно:
опять текущая передача. см. ранее.
4 окно:
обороты двигателя
#######################
группа 006
1 окно: Наклон дорожного полотна (расчетное значение)
2 окно: фактор ровности дороги (возвышенности, холмистости и т.д.)
3 окно: фактор спортивности (видимо речь идет об ушастой прокладке между рулем и передним сидением,
собственно - как часто и как глубоко (резко) вы пользуете педаль газа)
3 окно: положение педали акселлератора в % (см. ранее)
данная группа нам вобщем не особо нужна.
#######################
группа 007
1 окно: и опять "текущая передача"
тут чуть иное представление:
нейтраль = 0
задняя = R
1 работа гидро = 1H+/-
1 работа механики = 1M+/-
2 работа гидро = 2H +/-
2 работа механики= 2M +/-
3 работа гидро = 3 H +/-
3 работа механики = 3M +/-
4 работа гидро = 4H +/-
4 работа механики= 4M +/-
"H" = гидравлическое проскальзывание (скольжение).
"+" означает, что частота вращения двигателя насоса (одно части гт) больше, чем скорость турбинной части гт ,
"-" наоборот соотв.
2 окно: передача крутящего момента (вот это уже интересно)
при ХХ = примерно 600 - 800 об.
при 2000 - 3000 оборотах двигла = 0 - 130
макс. ускорение = 0 - 15
Когда блокировка муфты в свободном состоянии, (момент скольжения) скорость (обороты) увеличены. с блокировкой при нарастании скорости - обороты проскальзывания должны понижаться, вплоть до 0.
3 окно: обороты двигла
4 окно: положение педали газа
/////////////////////////
знаю, что вопрос все равно будет, лучше сразу:
1) можно ли кодировать? - да. можно.
000?x: DSP (Dynamic Shift Points)
0 = DSP включен (по-умолчанию)
1 = DSP выключен
000x?: Transmission Mode
0 = Factory Mode (Адаптивная система переключений, подстраивание под манеру езды прокладки)
1 = Force Economy Mode (всегда переключать на низких оборотах (~ 1800-2400)
2 = Force Sport Mode (всегда переключать на повышенных оборотах (~ 2000-2700)
(хотя системма адаптивных переключений и отключена - цифры 1,2 все равно имеют некую "адаптацию",
при слабом нажатии, в пробке, переключение будет на 1800 к примеру, при требуемом ускорении дойдет до 2400.
и не думайте, то поменяв кодинг на 00011 будет строго 2000. не обманете![]()
по большому счету, опытным путем выяснено, что в городском цикле никакой пользы от 00012, 00011 нет.
напомню, что:
00000 = заводской код
00011 = экономичный
00012 = типа "спорт".
другое дело, что более интересны иные варианты, как вы уже сами догадались они могут быть такие:
00010 - т.е. отключить DSP, но оставить тактику оборотов без изменений
00001 - включить DSP, но указать что низкие обороты предпочтительнее
00002 - включить DSP, но указать что высокие обороты всеж предпочтительнее
вот этот опыт был бы более интересен. но его нет![]()
да, вот такой облом - "не документированная процедура", хотя коробка - принимает данные значения...
2) "можно ли адаптировать коробку?" (типа как двигатель)
нет, нельзя. она сама за себя. снимите клему АКБ на 5 минут и она обучится вашей манере езды заново![]()
но, полезно указать позицию педали акселлератора, а точнее положение срабатывания кик-дауна.
включите зажигание,
зайдите в "базовые установки",
выберите группу 000.
после нажатия кнопки "go", плавно (всмысле - без рывков) но при этом быстро нажмите на педаль газа и задержите на 5 секунд.
отпустите педаль. выйдите из базовых установок. все.
перед процедурой правда стоит убедиться, что под педалью нет коврика или посторонних предметов![]()
3) "есть какие нибудь логины?".
нет (хотя может и есть, но их тщательно скрывают). они не нужны.
кодинг и обучение коробки происходит без секретных логинов.
ну и в заключении, немного флудаот компании "ZF". Серьезные в теме автоматов парни.
---------------------------------------------------
01N (-M,-P) - 4-х ступенчатая АКПП.
Устанавливалась на переднеприводных автомобилях VW Golf, Bora, Audi A3 (обозначение 01M),
VW Passat, Audi A4, A6 (обозначение 01N),
VW Sharan, Transporter, Ford Galaxy (обозначение 01P) и их клонах с 1995 по 2001 годы.
Является усовершенствованной модификацией трансмиссии VW 095 (-096,-097,-098),
основное ее отличие от предыдущей трансмиссии - добавлена блокировка гидротрансформатора.
Именно эта блокировка, точнее опорная шайба скольжения турбины гидротрансформатора является слабым местом данной трансмиссии.
По истечении времени шайба изнашивается, стружка от нее попадает в электрический регулятор давления гидроблока,
он «заклинивает» в положении низкого давления, перестает хватать давления масла на пакет сцепление 3-4-ой передачи K3,
трансмиссия выходит из строя. При ремонте гидротрансформатора шайба скольщения заменяется на опорный подшипник.
Также в данной трансмиссии часто ломается резино-металлический поршень сцепления 1-3 передачи K1,
при этом автомобиль перестает двигаться вперед при малом газе, особенно на холодную.
Нередки бывают случаи разрушения опорного подшипника планетарного ряда,
данная неисправности проявляется в пропадании передачи заднего хода,
когда части развалившегося подшипника попадают под резино-металлический поршень сцепления заднего хода B1.
---------------------------------------------------
англоспикающам возможно будет интересно
http://forums.tdiclub.com/showthread.php?t=248847
http://forums.tdiclub.com/showthread.php?t=250194
http://forums.vwvortex.com/zerothrea...int&id=3888041
ну и просто пару картинок:
http://www.autocd.ru/index.html?q=14...SG_VWO1M_1.png
http://www.autocd.ru/index.html?q=14...SG_VWO1M_2.png
http://www.autocd.ru/index.html?q=14...SG_VWO1M_3.png
http://www.autocd.ru/index.html?q=14...SG_VWO1M_4.png
подготовленный лейбл-файл
Код:
;
; VAG-COM label file
;
; 01N (-M,-P) - 4-Speed Automatic Transmission
; VW Golf / Bora / Audi A3 / Seat Leon/Toledo / Skoda Octavia (1U) / VW Golf (1J) / VW New Beetle (01M)
; VW Passat / Audi A4 / A6 (DMU / DMV / DMX / EPT / EPU / EPV) (01N)
; VW Sharan / Transporter (01P)
;
; component: Transmission Electronic (#02) - 4-Speed Automatic Transmission 01M
;
; p/n: 01? 927 733 ???
;
; includes measuring blocks and coding
;
; based upon 01N-927-733.lbl by ???
; updated on 10/05/2004 by Sebastian Stange (sebastian@ross-tech.com)
; coding added on 07/13/2005 by Ericthebikeman (ops21_at_earthlink_dot_net)
; updated on 15/06/2009 by Sergey Vorobyov (aka SerV) reg-me [at] ya [dot] ru
;
; last modification: 15/July/2009
;
; requires VAG-COM 402.3 or newer (tested on 704.1)
;
;
;---------------------------------------------------
;
; measuring block information
;
;---------------------------------------------------
;
;
001,1,Selector Position,MF switch F125,Spec: P R N etc.
001,2,Throttle Valve,Voltage,Spec: XX 0.156...0.8V,full 3.5...4.68V
001,3,Value of,Acc. Pedal,Spec: XX 0...1% full 99...100%
001,4,MF switch,Spec: 1 -Oper 0 -Not
;
002,1,Solenoid Valve 6,Actual N93,Spec: differ not more 0.05A
002,2,Solenoid Valve 6,Specified N93,Spec: 1...1.1A
002,3,Battery,Voltage,Spec: 10.8...15.93V
002,4,Vehicle Speed,Sensor G68,Spec: 2.2...2.52V
;
003,1,Speed,Spec: ... km/h
003,2,Engine Speed,Spec: ... rpm
003,3,Driving Mode,Spec: 0 R 1H 1M,2H 2M 3H 3M 4H
003,4,Value of,Acc. Pedal,Spec: XX 0...1% full 99...100%
;
004,1,Solenoid Valves,Condition
; ?xxxxx = Solenoid Valve 1 (N88)
; x?xxxx = Solenoid Valve 2 (N89)
; xx?xxx = Solenoid Valve 3 (N90)
; xxx?xx = Solenoid Valve 4 (N91)
; xxxx?x = Solenoid Valve 5 (N92)
; xxxxx? = Solenoid Valve 7 (N94)
;
; 101000 = P
; 001000 = R (more 10 km/h=101000)
; 101000 = N
; 001010 = D/1H (in D <10 km/h, 1 hydr)
; 001010 = D/1H (in D <10>10 km/h, 1 hydr)
; 001000 = D/1M (in D >10 km/h, 1 mech)
; 011000 = D/2H (in D >10 km/h, 2 hydr)
; 011000 = D/2M (in D >10 km/h, 2 mech)
; 000001 = D/3H (in D >10 km/h, 3 hydr)
; 000001 = D/3M (in D >10 km/h, 3 mech)
; 110001 = D/4H (in D >10 km/h, 4 hydr)
; 110001 = D/4M (in D >10 km/h, 4 mech)
004,2,Driving Mode,Spec: 0 R 1H 1M 2H 2M 3H 3M 4H
004,3,Selector Position,MF switch F125,Spec: P R N etc.
004,4,Speed,Spec: ... km/h
;
005,1,ATF Temperature,,Spec: -40...+170 °C
005,2,MF Switch 2,Spec: 1=on 0=off
005,3,Gear to engage,Spec: 0 R 1H 1M,2H 2M 3H 3M 4H
005,4,Engine Speed,Spec: ... rpm
;
006,1,Road Inclination,(calculated)
006,2,Hill Factor
006,3,Sport Factor
006,4,Value of,Acc. Pedal,Spec: XX 0...1% full 99...100%
;
007,1,Driving Mode
; Neutral = 0
; Reverse = R
; 1 hydraulic = 1H+/-
; 1 mechanical = 1M+/-
; 2 hydraulic = 2H +/-
; 2 mechanical = 2M +/-
; 3 hydraulic = 3 H +/-
; 3 mechanical = 3M +/-
; 4 hydraulic = 4H +/-
; 4 mechanical = 4M +/-
007,2,Lock-Up clutch,Spec: 2000...3000 rpm=0...130 rpm,max rpm=0...15 rpm
; at XX rpm = ~ 600...800 rpm
; at 2000...3000 rpm = ~ 0...130 rpm
; max (4000 / 7000 etc.) rpm = 0...15 rpm
007,3,Engine Speed,,Spec: ... rpm
007,4,Value of,Acc. Pedal,Spec: XX 0...1% full 99...100%
;
;
;---------------------------------------------------
;
; coding information
;
;---------------------------------------------------
;
;
C00,Automatic Transmission (01N) Coding
C01,000?x: DSP Mode (Dynamic Shift Points)
C02,0 = DSP active
C03,1 = DSP inactive
C04,
C05,000x?: Transmission Mode
C06,0 = Factory Mode (Adaptive Transmission Mode)
C07,1 = Force Economy Mode (lower Shift Points)
C08,2 = Force Sport Mode (higher Shift Points)
C09,
C10,Standard Coding:
C11,00000 = Factory Mode
C12,00011 = Economy/Touring Mode
C13,00012 = Sport Mode
C14,
C16,Non documented Coding!:
C16,00010 - DSP off with standard tactic
C17,00001 - DSP on with lower Shift tactic
C18,00002 - DSP on with higher Shift tactic
;
очень рекомендуется заглянуть в статью:
Переборка АКПП 01N
немного о вольтаже и электрической проверке, для тех кто уже влез в дело, что называется "с головой":
1) вольтаж на блоке управления J217, зажигание ВКЛ. = примерно емкость АКБ
2) магнит. клапан рычажка блокировки N110:
- зажигание ВКЛ., педаль тормоза НЕ нажата = примерно емкость АКБ
- зажигание ВКЛ., педаль тормоза нажата = 0.2 вольт
3) лягушка, стопы ("-F-")
- зажигание ВКЛ., педаль тормоза НЕ нажата = 0 вольт
- зажигание ВКЛ., педаль тормоза нажата = примерно емкость АКБ
4) круиз контроль, зажигание ВКЛ. = примерно емкость АКБ
5) мультифункциональный переключатель F125:
- зажигание ВЫКЛ, предохранитель F125 вынут, все потребители выкл. = сопростивление бесконечно
если меньше или равно 1.5 ом - F125 не исправен!
- зажигание ВКЛ, все соединено (вставлено обратно) = примерно емкость АКБ на контактах 1 и 7
6) соленоиды, зажигание ВЫКЛ.:
клапан -N88- = 55 - 65 Ом
клапан -N89- = 55 - 65 Ом
клапан -N90- = 55 - 65 Ом
клапан -N91- = 55 - 65 Ом
клапан -N92- = 55 - 65 Ом
клапан -N93- = 4.5 - 6.5 Ом
клапан -N94- = 55 - 65 Ом
7) магнит. клапан рычажка блокировки N110:
зажигание ВЫКЛ. = 14 - 25 Ом
8) датчик кикдауна
зажигание ВЫКЛ., педаль НЕ нажата = бесконечность
зажигание ВЫКЛ., педаль нажата = менее 1.5 Ом
9) датчик скорости -G68-
зажигание ВЫКЛ. = 0.75 кОм - 1 кОм
зажигание ВЫКЛ., затем ВКЛ - в этот момент должно быть = бесконечность
10) датчик оборотов АКПП -G38-
зажигание ВЫКЛ. = 0.75 кОм - 1 кОм
зажигание ВЫКЛ., затем ВКЛ - в этот момент должно быть = бесконечность
11) датчик температуры ATF -G93-, зажигание ВЫКЛ.
температура ATF примерно 20 оС = 0.247 МОм
60 оС = 48.8 KОм
120 оС = 7.4 KОм
#####################
замеры давления в АКПП
условия:
1) температура ATF примерно или равна 60 оС, обороты ХХ
в положении "D" = 3.4 - 3.8
в положении "R" = 5 - 6
2) температура ATF примерно или равна 60 оС, обороты 2000
в положении "D" = 12.4 - 13.2
в положении "R" = 23.0 - 24.0
Mercedes Benz C200 CGI BlueEFFICIENCY W204 чОрный, чОрный - был
В личке НЕ КОНСУЛЬТИРУЮ!

