0

| Спасибо: |
| Получено: 0 Отправлено: 0 |
Всем привет! Мужики, помогите, когда движок горячий машина не хочет заводиться, приходится долго ждать. Похожие темы были читал, но от этого не легче. Ездил на диагностику, есть ошибка на температурном датчике, ее стерли, машина завелась, через день опять повторилось. Сегодня даже на работу опаздал. еще были ошибки датчика детонации и датчика скорости. Вопрос у меня про датчики температуры вот какой:
1. Какой из датчиков глючит? я нашел вот, что в поиске:
http://www.passatworld.ru/phpBB2/kb.php?m ... %FB+%EE%E6
2. т.е. я так понял есть датчик внизу родиатора 3-х контактный, а есть как в ссылке показано в вверхней части движка. Так какой же надо менять и какой влияет на горячий пуск? Я думаю, что тот что радиаторе отвечает за включение вентилятора...
| Спасибо: |
| Получено: 0 Отправлено: 0 |
Который на ГБЦ...
| Спасибо: |
| Получено: 6 Отправлено: 3 |
А мож глянуть в сторону бензонасоса?![]()
VW Passat 1,8T AWM, 2002, типтрон EZS
VAG-COM 311.2-N. В миру - Юрий.
| Спасибо: |
| Получено: 14 Отправлено: 0 |
надо не ошибку стирать - а ДТОЖ менять - и будет тебе счастье...Сообщение от Борец
когда движок горячий машина не хочет заводиться, приходится долго ждать. Похожие темы были читал, но от этого не легче. Ездил на диагностику, есть ошибка на температурном датчике, ее стерли, машина завелась, через день опять повторилось![]()
![]()
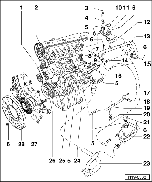
ДТОЖ на ADR - номер 4..вместе с ним менять скобу 10 и кольцо 5...обязательно..
(а вообще - баян страшенный...![]()
)
[/url]
все остальные температурные датчики, кроме ДТОЖ - это датчики температуры воздуха...к запуску мотора отношения не имеют...они для климат-системы..Сообщение от Борец
. т.е. я так понял есть датчик внизу родиатора 3-х контактный, а есть как в ссылке показано в вверхней части движка. Так какой же надо менять и какой влияет на горячий пуск? Я думаю, что тот что радиаторе отвечает за включение вентилятора...
| Спасибо: |
| Получено: 8,434 Отправлено: 4,141 |
"Меняли ДТОЖ. Порвали два баяна..."Сообщение от 1967s
а вообще - баян страшенный...
VW Passat B5 1.8 Turbo, 20V, AEB, LB7Z, 1998 г.(был 17 лет)
Одна голова - хорошо, а... без нее смешнее!
| Спасибо: |
| Получено: 0 Отправлено: 0 |
Спасибо огромное мужики!!!! Боян баяном а машина стоит как ишак упертый и не заводится, будешь тут не то что баянить, а аккордионить!![]()
1967s - отдельное спасибо!!!
Добавлено спустя 2 минуты 33 секунды:
А по деньгам сколько ДТОЖ?
| Спасибо: |
| Получено: 10 Отправлено: 0 |
Поточнее не можешь?Сообщение от Борец
еще были ошибки датчика скорости.
| Спасибо: |
| Получено: 0 Отправлено: 0 |
Надо номер ошибки посмотреть, я на память не помню.
Добавлено спустя 5 минут 52 секунды:
Всем огромное спасибо! Тему можно закрыть. Датчик поменял, 660 р. сам датчик и 15 минут работа, делал сам. Пока все в норме (тьфу, тьфу, тьфу) и даже показалось машина пошустрее поехала! [/b]
| Спасибо: |
| Получено: 9 Отправлено: 10 |
| Спасибо: |
| Получено: 0 Отправлено: 0 |
Брал на ул.Максима Горького, там в магазине на 2 этаже отдел сделали запчастей на иномарки. Фирма Hella 660р. там же и поменял.
Добавлено спустя 56 секунд:
На заказ только на вторник, а мне ездить надо, а она копризничает :-)
| Спасибо: |
| Получено: 9 Отправлено: 10 |

