0

| Спасибо: |
| Получено: 2,516 Отправлено: 4,977 |
Micro
напиши в личку Umberto31, он из Норильска, мотор такой же у него, с ним пообщайся, я думаю он более здравое присоветует, чем машину курочить.
- Расскажите о себе в двух словах.
- Всякое бывало.
| Спасибо: |
| Получено: 14 Отправлено: 0 |
Сообщение от Micro
двига AFN 1,9 ДизельСообщение от Micro
машина когда стоит на холостом ходу при - от25 до 35 то она начинает остыватьдизель при таком "минусе" на ХХ конечно будет остывать...это совершенно нормально...
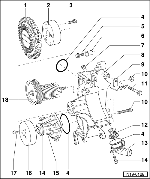
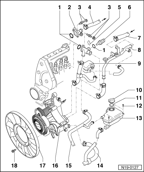
это то, на чём установлена крыльчатка вентилятора..Сообщение от Micro
вискомуфта что это такое ?![]()
![]()
.имеет два состояния - разомкнутое и замкнутое...
в разомкнутом состоянии передает небольшой "инерционный" вращательный момент на крыльчатку и она не спеша крутится...
при повышении температуры двигателя больше рабочей - замыкается жестко и начинает передавать крыльчатке максимальный момент от коленвала мотора...
вентилятор начинает крутиться со скоростью оборотов двигателя...
в двух словах так...
вот картинки - чтоб понятнее было...17 - крыльчатка вентилятора ...правее - ребристая круглая штука ( номер 1 на второй картинке) - это и есть вискомуфта...
на всех моторах крутится...независимо от возраста...Сообщение от ALEX94
а что на новых машинах тоже крутится или только на старичках ???![]()
| Спасибо: |
| Получено: 0 Отправлено: 0 |
Приветствую, земляка (ну рядышком мы) =)
В принципе, у меня укрыт мотор брезентом с верху, а снизу броня, как у всех. Решетка не укрыта. При стоянке мгновенно выстывает (при -35 и выше и если не перевел забор воздуха из салона, мгновенно - это за 15 минут до 60 градусов).Сообщение от Micro
укрывать я уже пробывал эфеккта почти
А так вообще проблем нет. Правильно посоветовали поставить "Вебасто-Гидроник и еже с ними" и при стоянке, печку ставь на минимум (чтобы стекла не затягивало).
| Спасибо: |
| Получено: 0 Отправлено: 0 |
У меня на холодной пропеллер вискомуфты сложенной газетой останавливается, а на прогретой крутит что пипец! Тем полно было про фискомуфту, если холодная крутит на 100% а не по инерции то пипец фискомуфте! Проверять так: холодный мотор заводишь, берёшь газету, складываешь её и пробуешь остановить пропеллер (Руками лесть не надо! вдруг муфта заклинила, бо-бо будет) если останавливается то всё ок. Когда машина прогревается и муфта срабатывает, даже звук изменяется, да и видно что-пропеллер крутиться на все 100%
| Спасибо: |
| Получено: 0 Отправлено: 0 |
termostat posmotri i dat4iki temperatyri
| Спасибо: |
| Получено: 0 Отправлено: 0 |
DrSlavich
я тоже тебя приветствую
все мужики спасибо за советы разобрался
термостат и вискомуфты работает проверял как говорил Yars
значит это естественно что так остывает быстро насчет морозов немцы немного подкочали в отличии от японцев
| Спасибо: |
| Получено: 365 Отправлено: 723 |
Я ничего не откручивал, не снимал. И у меня тепло. Радиатор закрыть, двигатель сверху укрыть бельтингом. (одеялом, войлоком)
Если выезжаю из гаража, лучше сразу прогреть. Если стояла на улице, печку на 1 положение и вперед. На холостом у меня тоже нагревается. Надо рецеркуляцию на положение "из салона" ставить.
У моего приятеля Прадо. Тоже остывает если стоит. Так что у всех дизилей такая проблема. Просто надо следить за процессом.
DrSlavich
Все правильно.
Добавлено спустя 28 минут 3 секунды:
еще раз выложу![]()
B5 Variant AFN TDI 99г>b6Variant CBAB TDI 10г.>B6Variant BZB 08 Sport-Komfort> B7Variant CLLA TDI 2012 highline. Виктор.
| Спасибо: |
| Получено: 0 Отправлено: 0 |
Это так конструктора немецкие задумали - газетой останавливать? Или они задумали, что зимой при минус 10-20 свежезаведенный мотор надо довольно интенсивно обдувать вентилятором, чтобы "плавнее нагревался"? Совсем дураки чтоле?!Сообщение от Yars
У меня на холодной пропеллер вискомуфты сложенной газетой останавливается,
У меня мотор нагревается, когда я уже проехал полпути на работу (всего -5 км, 15 минут). В итоге - и расход под 20 литров на сотню.
| Спасибо: |
| Получено: 0 Отправлено: 0 |
Всем здравствуйте!! Принимайте в ряды форумчан.
Есть тоже некоторые проблемы по отоплению салона. Думаю получить полезный совет.
Ситуация в кратце: Авто VW Passat 1999, 1,9 TDI AHU, АКПП.
ПРивез из Германии в сентябре, сразу поставил сигнализацию и вебасто. Так что без вебасто по морозу особо ездить не пришлось. А прблемка такая: то что он на холостых не греется я знаю(т.к. не первый дизель), подогревать приходится отопителем(когда за -20), находу терпимо, но "Ташкента" нет. Пока работает вебасто, воздух из решеток идет горячий, когда отключаешь-еле теплый.
Вчера почитал топик по диагностике климы (за что-огромное спасибо!!!. не знал, да и в книге про это слова нет.) После диагностики, выдал ошибку 4F9. Произвел сбрось. Ситуация не изменилась.
ВОПРОС. КАк вылечить? И что за ошибка, может кто знает?
| Спасибо: |
| Получено: 57 Отправлено: 44 |
DeniZZ
Привет. Вливайся![]()
01273 ---- 4F9 -------------------- Приточный вентилятор-V2 - в базе знаний есть распечатка кодов ошибок. Заглядывай сначала тудаСообщение от DeniZZ
После диагностики, выдал ошибку 4F9.
Добавлено спустя 29 секунд:
http://www.passatworld.ru/phpBB2/kb.php?m ... icle&k=206 - вот ссылка
Арфография... эта как канг-фу. Настаящщие мастира ею биз надабнасти ни пользуюцца!!!©
| Спасибо: |
| Получено: 0 Отправлено: 0 |
Mih@tlt Спасибо. Посмотрел!! Есть много дельной инфы.
Сегодня "бежал" по трассе!! Так вот. Воздух дует горяченный, за бортом -30!! в городе температура двигла 90, а воздух еле теплый!!! в субботу планирую попробовать поменять шланги печки(есть подозрение что при установке Вебасто, могли перепутать!!)
Потом выложу отчёт.
| Спасибо: |
| Получено: 0 Отправлено: 0 |
Мужики возникла такая идея
было почти также сделано на TOYOTE думаю и тут тоже получится конечно это колхоз ну все же оцените может кто подскажет по лучше
Хочу поставить кран как на рисунке нарисовал чтобы вручную перекрывать его ну не совсем а чуть-чуть когда идет на большой круг
а то по городу ездишь вроде терпимо ну тока стоит остановиться машина остывает млин и холодно хотя печка дует хорошо,
стоит постоять 10 - 15 мин и все температура двигателя падает
вот скажите если даже и ставить то где лучше 1 положении или 2 ?
![]()
| Спасибо: |
| Получено: 2,128 Отправлено: 140 |
сказали же тебе - термостат меняй, вискомуфту не трогай, при падении температуры большой контур не должен быть задействован, а если температура падает, то он задейтвован и термостат не закрывается. По-идее так.
''
AEB 1,8T AUDI 4BC5 98
| Спасибо: |
| Получено: 0 Отправлено: 0 |
prv21
по идеи то так
даже если и термостат работает один фиг при -35 40 двиг остывает
| Спасибо: |
| Получено: 0 Отправлено: 0 |
Сегодня утром обратил внимание, что после работы отопителя и его отключения, при запуске двигателя слышно бурление в радиаторе отопления.(наличие воздуха проверял-нет)Раньше такого звука незамечал, так как запуск производил с работающей вебастой.
| Спасибо: |
| Получено: 76 Отправлено: 17 |
фигасе ты захотел чтобы ташкент был у тебяСообщение от Micro
даже если и термостат работает один фиг при -35 40 двиг остываетты бы еще в оймякон приехал на своем тракторе
![]()
Micro
кстати дудинка это где ? у меня на работе у коллеги фамилия Дудин
Добавлено спустя 7 минут 27 секунд:
нифига он рядом с норильском тусуется и хочет без вебасты прожить, хитрец однако[/url]
Добавлено спустя 2 минуты 15 секунд:
Grenadier
ты как его разобрал, он же неразборный ???или ломать не строить ? обратно собрал ?

